صنعتی کابینہ کے دروازے کا تالاڈسٹری بیوشن کیبنٹ، کمیونیکیشن کیبنٹ، کنٹرول باکس اور دیگر آلات کا کلیدی حفاظتی جزو ہے، جس کا براہ راست تعلق اندرونی برقی اجزاء کی حفاظت اور نظام کے مستحکم آپریشن سے ہے۔
مختلف پروجیکٹس کے لیے ڈیلیوری کے وقت اور تصریحات کے متنوع تقاضوں کو پورا کرنے کے لیے، ہماری کمپنی کے پاس اسٹاک میں ہمیشہ عام طور پر استعمال ہونے والے پانچ قسم کے تالے ہوتے ہیں۔لانگ بار لاک, پینل لاک, راڈ کنٹرول لاک, ہینڈل لاک,روٹری ٹونگ لاک. ایک ہی وقت میں، ہم ڈرائنگ یا نمونوں کے مطابق اپنی مرضی کے مطابق بنائے گئے کسی بھی غیر معیاری لاک کی حمایت کرتے ہیں، جو ہر قسم کے دھاتی ڈسٹری بیوشن بکس کے لیے بالکل موزوں ہے۔
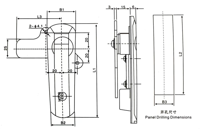
پلین لاک صنعتی کابینہ کے دروازے کے تالے کی سب سے عام قسموں میں سے ایک ہے، جو خوبصورت اور برقرار رکھنے میں آسان ہے۔ ہماری کمپنی نے AB301, AB302, AB303, AB402, AB403 سیریز کا طیارہ لاک شروع کیا، ساختی طاقت، تحفظ کی کارکردگی اور مختلف ڈیزائن کے آپریٹنگ احساس میں، تقسیم خانہ کی مختلف خصوصیات، کنٹرول کابینہ کی تنصیب کی ضروریات کو پورا کر سکتا ہے۔
| طول و عرض | پروڈکٹ نمبر | |||||||
| L1 | L2 | L3 | B1 | B2 | گرے کروم چڑھانا | گرے سپرے پینٹ | سیاہ پاؤڈر لیپت | وزن(g) |
| 147 | 117 | 72 | 33 | 26.5 | AB301-1-1.2 | AB301-1-1.8 | AB301 | 370 |
| 120.5 | 95.5 | 65 | 30 | 23.5 | AB301-2-1.2 | AB301-2-1.8 | AB302 | 290 |
| 87.5 | 62.5 | 65 | 28.5 | 23.5 | AB301-3-1.2 | AB301-3-1.8 | AB303 | 215 |
اہم مواد: زنک کھوٹ۔
سطح کا علاج: روشن کروم، دھندلا، سیاہ.
فنکشن اور استعمال: بائیں اور دائیں دروازے کھولنے کا احساس کریں، استعمال میں آسان، سگ ماہی اور واٹر پروف فنکشن کے ساتھ۔
اہم مواد: زنک کھوٹ۔
سطح کا علاج: روشن کروم، دھندلا، سیاہ.
فنکشن اور استعمال: بائیں اور دائیں دروازے کھولنے کا احساس کریں، استعمال میں آسان، سگ ماہی اور واٹر پروف فنکشن کے ساتھ۔
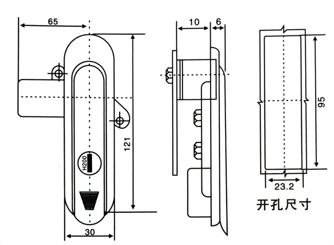
مواد: زنک الائے لاک باڈی، گھومنے والا شافٹ، جستی سٹیل بولٹ، پریشر پلیٹ۔
سطح کا علاج: سلور گرے نینو سپرے۔
ساخت کی تفصیل: کھولنے یا لاک کرنے کے لیے 90 ڈگری گھمائیں۔
| ماڈل | L1 | L2 | L3 | B1 | B2 | B3 |
| نیا AB402-A | 123 | 95.5 | 65 | 36.5 | 30 | 23.5 |
| نیا AB403-A | 91 | 62.5 | 65 | 33 | 28.5 | 23.5 |
| نیا AB401-A | 151 | 117 | 72 | 36 | 30 | 26.5 |
